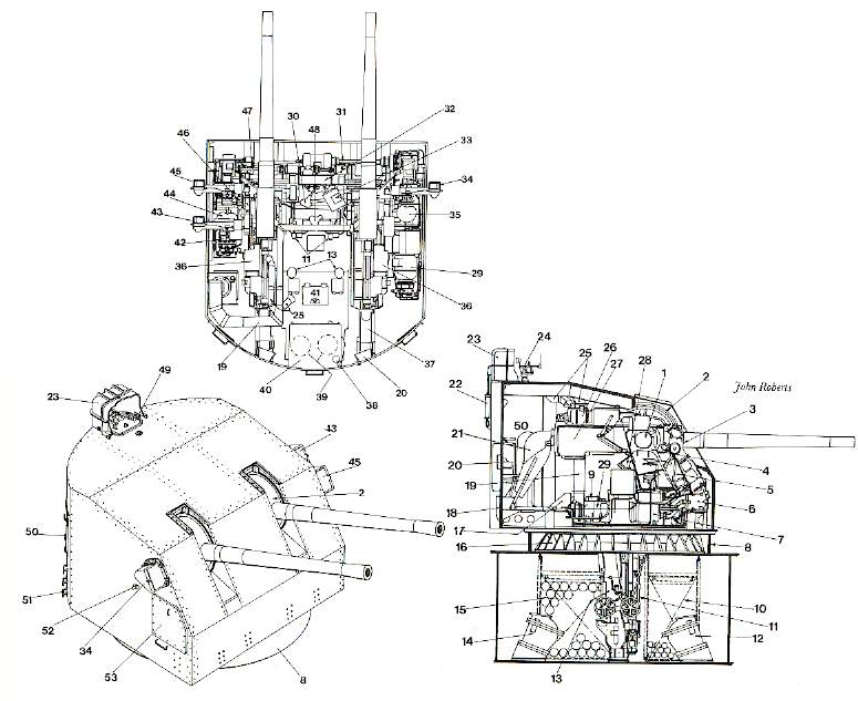
Does anyone have any drawings or references of the twin 5" gun mounts found on USN carriers during World War II? I want to build a 1/72 gun mount and I need the drawings to scale it out.
Thanks
~Gator
You are viewing the archived version of the site.
Go to modelshipwrights.com for the current dynamic site!
Go to modelshipwrights.com for the current dynamic site!
Research & Resources
Discuss on research, history, and issues dealing with reference materials.
Discuss on research, history, and issues dealing with reference materials.
Hosted by Jim Starkweather
Twin 5" Gun Mount
Posted: Sunday, August 05, 2007 - 12:54 PM UTC
1.90E_31

Joined: December 24, 2004
KitMaker: 252 posts
Model Shipwrights: 89 posts

Posted: Sunday, August 05, 2007 - 01:21 PM UTC
Posted: Sunday, August 05, 2007 - 01:51 PM UTC
Quoted Text
drawings are at the following site:
http://www.gyrodynehelicopters.com/5_inch_38_cal__gun.htm
http://www.navweaps.com/Weapons/WNUS_5-38_mk12_twin-diag.jpg
http://www.navweaps.com/Weapons/WNUS_5-38_mk12_pics.htm
Fixed url tags
Skipper
Posted: Sunday, August 05, 2007 - 02:45 PM UTC
Thanks guys.
PBBakels

Joined: May 14, 2007
KitMaker: 15 posts
Model Shipwrights: 13 posts

Posted: Sunday, August 26, 2007 - 04:21 AM UTC
Look at your E-Mail!
I hope this helps !
Pieter
I hope this helps !
Pieter
![]() |












